Home Projects Contact LinkedIn
C
Caleb J. Carlson

Engineering & Builds

Electrical Engineering student at the University of Minnesota Duluth. Focusing on PLC logic, embedded systems, and critical infrastructure systems.

Technical Projects

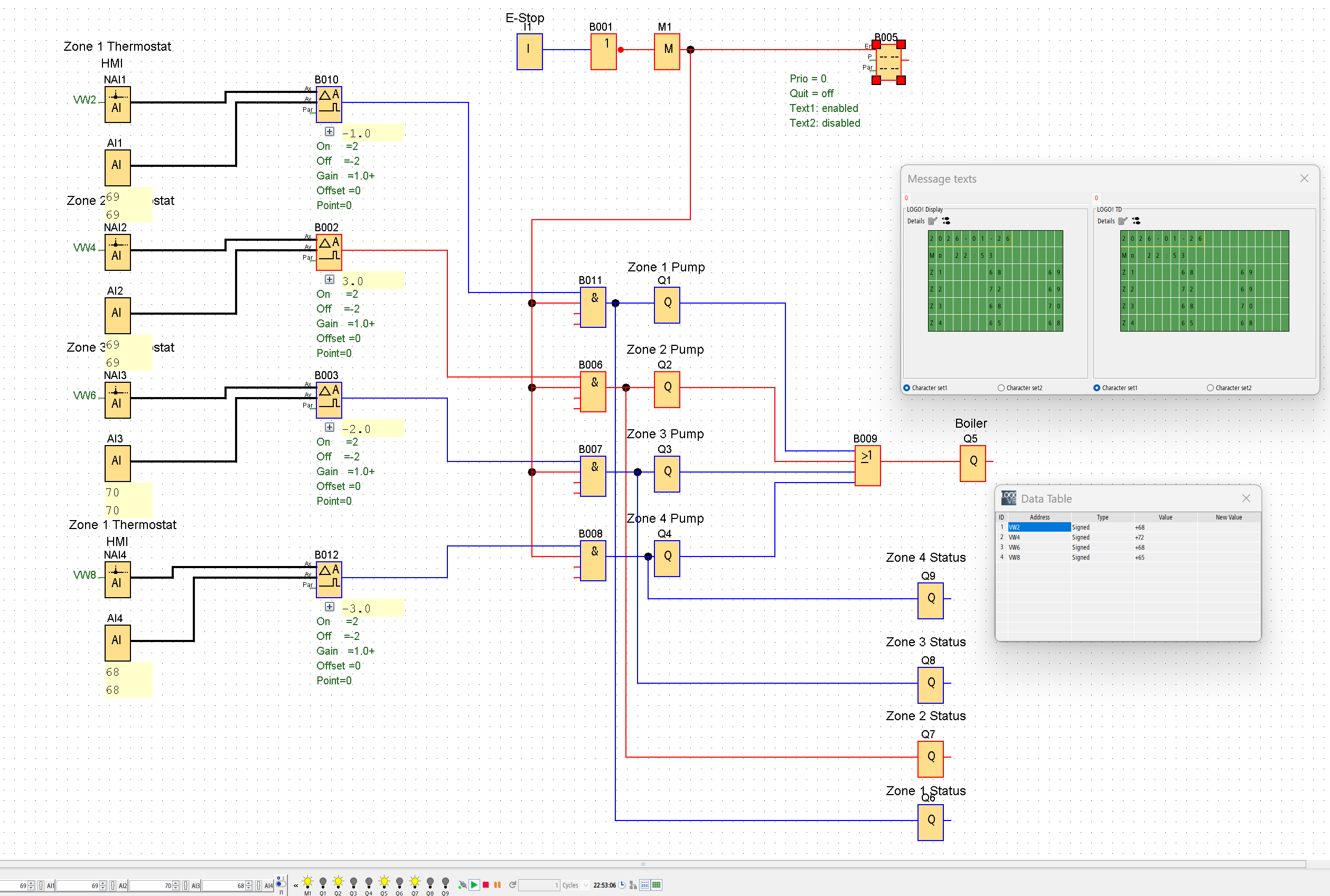
Functional block diagram for Caleb J. Carlson's four-zone heating controller

4-Zone Heating Controller

Critical HVAC simulation engineered within Siemens LOGO! Soft Comfort. This system manages multi-point thermal regulation using advanced digital logic.

Control Strategy: Developed a logic gate architecture utilizing analog comparators to maintain a precise 3°F hysteresis band, preventing mechanical relay oscillation.

Safety Systems: Incorporated master Emergency-Stop overrides and simulated analog sensor failures to test system resilience.

Open Schematic
Siemens LOGO! PLC Logic Control Systems
Solar-powered automatic garden build with Arduino Portenta instrumentation by Caleb J. Carlson

Solar Automatic Garden

An autonomous IoT environmental system powered by a 50W solar array. Built to maintain plant health through moisture-sensing automation.

Hardware: Powered by an Arduino Portenta H7, utilizing its dual-core capabilities to poll sensors while running a web server.

Software: Engineered a custom web-based dashboard for real-time telemetry and manual pump overrides via a local WiFi network.

View Repository
Arduino Portenta C++ Solar Integration

Infrastructure Analysis

Caleb J. Carlson touring the UMD steam plant boiler and distribution floor

UMD Steam Plant

Technical walkthrough of boiler operations, high-pressure distribution, and fuel-switching redundancy systems.

Backup generators at Essentia Health examined by Caleb J. Carlson

Essentia Health

Inspection of 4×1600 kW Caterpillar 3516B diesel generators and mission-critical medical gas infrastructure.

District heating equipment at Duluth Energy Systems during Caleb J. Carlson site visit

Duluth Energy Systems

Field analysis of district heating generation, pulverized coal boiler maintenance, and environmental scrubbing.

Professional History

Owner & Founder

Mar 2025 — Present

Carlson Solutions LLC

Lead expert installation and troubleshooting of network and security infrastructure for residential and small business clients. Specialized in system administration and firewall configuration.

Network AdminFirewall ConfigIT Support

Chief Operating Officer

Sep 2025 — Present

Hoffworks Painting Services LLC

Directing financial reporting and business operations to optimize company growth, internal workflows, and operational efficiency.

Chef

Apr 2023 — Present

Chisago Lakes Golf Course

Managing culinary operations and catering logistics for high-volume events and daily dining services, ensuring quality and operational speed.

Academic Journey

University of Minnesota Duluth

B.S. in Electrical Engineering | Math Minor

Aug 2024 — Dec 2027

Organizations

Cru

Scholarships

Cenovus Energy Merit Scholarship

UMD Institutional Academic Scholarship

Chisago Lakes Senior High

Graduated June 2024

Distinguished member of Business Professionals of America (BPA). Focused on competitive networking and computer systems.

Web DevelopmentElectronic CircuitsEngineeringAuto MechanicsBusinessMathematics

IT Specialist - Networking

Certiport / Pearson VUE

Professional verification of network architecture and hardware troubleshooting proficiency.

Verify Official Credential

Awards & Recognition

Caleb J. Carlson receiving a networking and systems award
Caleb J. Carlson posing with state-level technology competition award
Caleb J. Carlson accepting recognition for engineering achievement

Linux OS Fundamentals

2024

2nd Place — State Award

2023

2nd Place — State Award

2022

2nd Place — State Award

Network Technology

2024

2nd Place — State Award

2023

2nd Place — State Award

2022

4th Place — State Award

IT Concepts

2023

4th Place — State Award

Evaluated against over 1,200 delegates in the Computer Information Technology Concepts division.

Volunteer & Service

Student Leadership Team Member

LAKES FREE CHURCH — 2022 - 2024

Collaborated on event planning and logistics for youth ministries while serving as a primary greeter for the congregation.

Tornado Disaster Relief

Kentucky — June 2023

Assisted with the dismantling of storm-damaged residential structures and site debris management to facilitate community rebuilding.

Hurricane Disaster Relief

Louisiana — June 2021

Operated as part of a clean-up crew focused on yard restoration and hazardous debris clearing for local community members.